中国政府网
湖北省政府网
中文
|
ENGLISH
|
FRANÇAIS
|
日本語
|
한국어
|
DEUTSCH
个人中心
|
无障碍
|
长者版
搜索
热搜词:
首页
政务公开
政务服务
政民互动
走进武汉
数据开放
970680
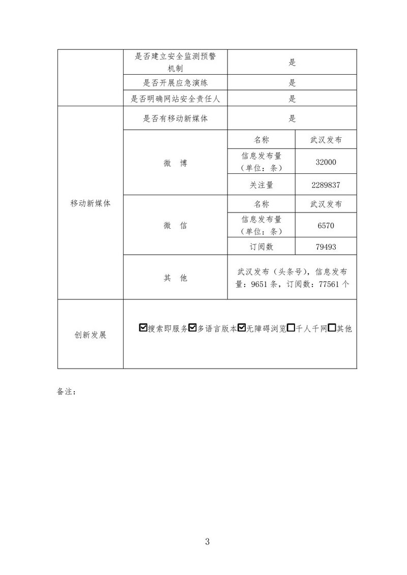
2018年政府网站工作年度报表
20
2019-01-16
26273
网站工作年度报表
信息公开
/
网站工作年度报表
2018年政府网站工作年度报表
来源:
发布日期:2019-01-16 00:00
【 打印 】
【 扫一扫 】
【 字体:
大
中
小
】
扫一扫在手机上查看当前页面
武汉市人民政府微信公众号
相关解读
相关解读
关联政策
关联内容
相关文章
武汉市人民政府